Pour la première fois depuis plus d’un siècle, un bateau-tombe viking va être fouillé en Norvège. Mais le temps presse. Enterré sous quelques centimètres de sable, le navire est en effet victime d’une attaque de champignons.
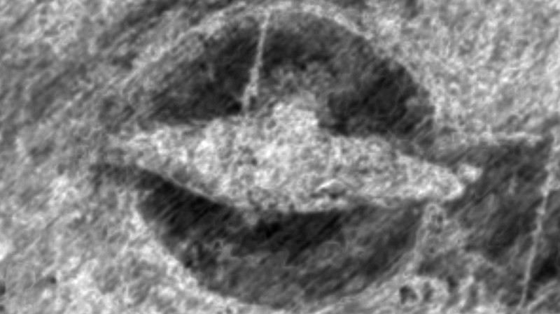
Il y a un peu plus de deux ans, une équipe d’archéologues annonçait la découverte dans le sud-est de la Norvège, près d’Oslo, d’un cimetière viking et d’un bateau à 50 centimètres sous la surface, révélés par des analyses radar. À l’époque, il était en effet de coutume d’enterrer les personnages importants avec leur navire. S’il est pour l’heure difficile de dater précisément l’embarcation, un autre site de sépultures situé à proximité aurait été daté à environ 1 500 ans.
Le temps presse
Aucune excavation n’avait jusqu’à présent été programmée, de peur d’abîmer l’embarcation de 20 mètres de long (peut-être le plus grand bateau viking jamais découvert). Mais il semblerait que les archéologues n’aient plus le choix. Des analyses non invasives récemment opérées ont effet révélé que la coque extérieure du navire était en train d’être grignotée par des champignons. Autrement dit, le reste de l’embarcation ne survivra pas très longtemps.
Partant de ce constat, le gouvernement norvégien a finalement débloqué des fonds dans le but d’analyser le bateau le plus rapidement possible. Des archéologues de l’Institut norvégien de recherche sur le patrimoine culturel (NIKU) commenceront les fouilles dès le mois prochain.
De nombreuses découvertes en perspective
Seuls trois bateaux-tombes vikings en bon état de conservation ont d’ores et déjà été découverts en Norvège. À savoir ceux de Tune (découvert en 1868), Gokstad (découvert en 1880) et Oseberg (découvert en 1904), tous exposés à Oslo. Autrement dit, la dernière fouille de ce genre remonte à plus d’un siècle.
La grande différence, c’est qu’aucun d’entre eux n’a pu être fouillé avec des techniques modernes. C’est pourquoi les archéologues fondent de grands espoirs sur le chantier à venir.
En plus de découvrir des objets funéraires, il pourrait être possible de retrouver un ou plusieurs corps à l’intérieur du navire. « Les chances que ces restes soient préservés sont minces », précise tout de même à Gizmodo l’archéologue Jan Bill. « Les conditions de conservation ne sont pas idéales pour les os et les tissus humains ». Quant au navire lui-même, les chercheurs espèrent en apprendre davantage sur sa construction.

En outre, les chercheurs prendront des précautions particulières, compte tenu de la pandémie de Covid-19 toujours en cours. Chacun devra notamment respecter les règles de distanciation sociale (un mètre entre individus) et veiller à se laver régulièrement les mains. Chaque scientifique possèdera également son propre kit d’outils. Jan Bill précise que ces recommandations « ne sont pas idéales mais, qu’elles restent gérables ».
Source
